We have made available our entire owners manual as individual diagrams (as images) able to be downloaded and printed. Please direct your technical inquiries to us by e-mail..

See diagram links below:


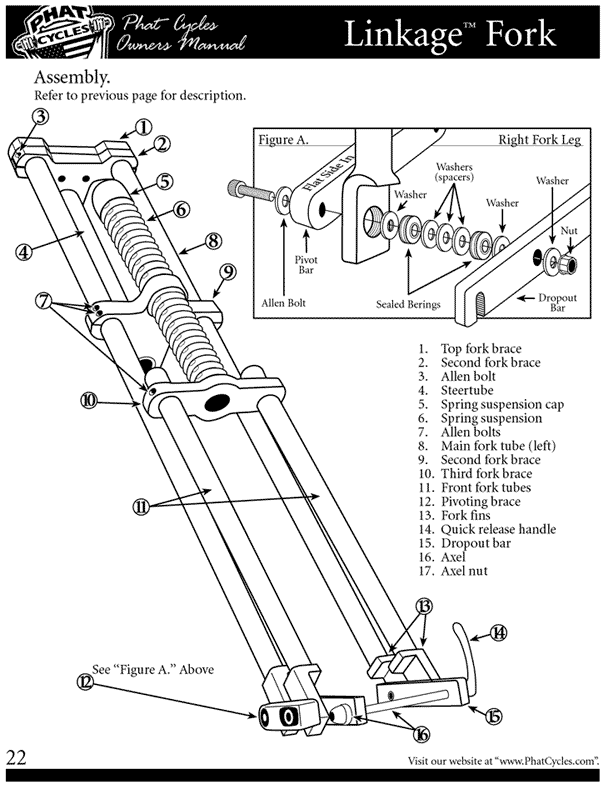
Linkage Fork Diagram for Assembly

Linkage Fork Text Pt 1 of 2

Linkage Fork Text Pt 2 of 2

Linkage Headset Diagram for Assembly


Gripshifter Diagram



Safety Page


Overview Page


When the diagrams open, you can download them by right clicking (PC) or clicking and holding (Mac) the image.